描述
特征
Q & A
技术参数
评价
下载
公司简介
- 描述
产品参数
-
安装方式
接线
-
材质
铜
-
端接类型
焊接式
-
公母
公头
-
方向
直式
-
极性
标准
-
功能
其它
-
镀层
镀镍
-
安装特征
无
-
阻抗
75 Ω
-
外导体连接
压接
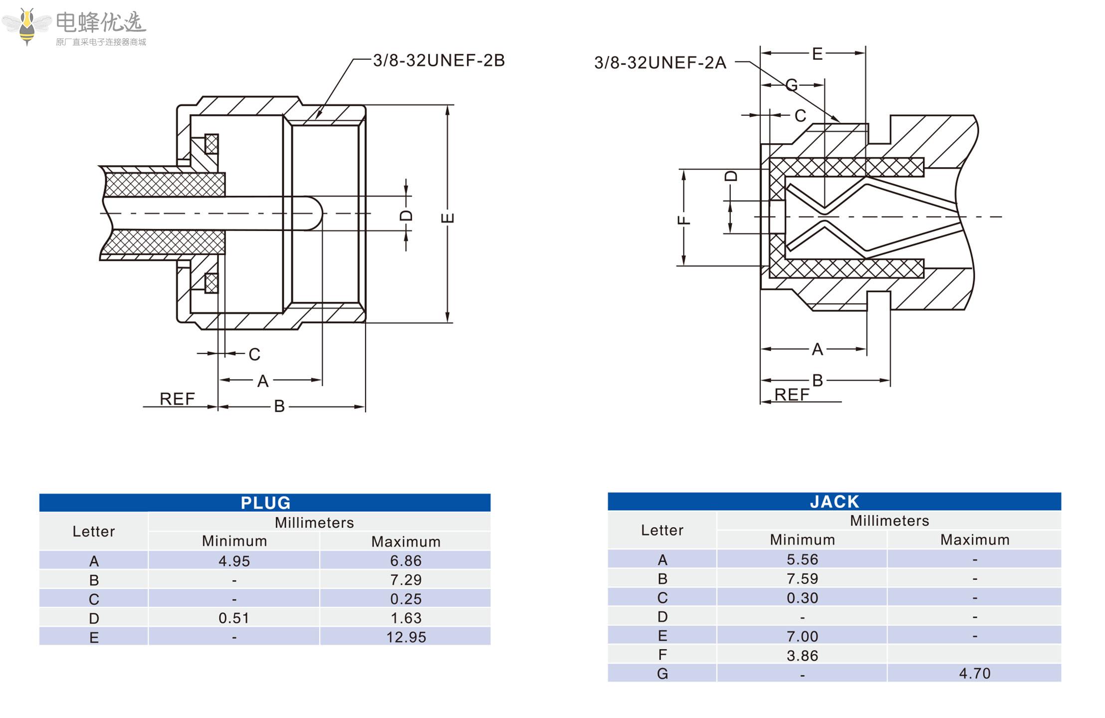
产品图纸

- 产品特征
产品特征:
F连接器,同轴线缆,公头,75欧,直式,压接,压接;
采用螺纹结构,具有更高的防护性和使用稳定性;
结构非常简单,生产成本低,价格实惠;
接线操作仅需30秒,易于安装使用;
检验时无需拆卸,连接后认可轻松完成检验;
高质量原厂出货,30天无忧退换货;
来自品牌OEM原厂批发,相同质量,更实惠的价格。
应用:
消费电子:卫星盒、电视机顶盒
电信:有线电视、有线电视网络

- 技术参数
电气性能
阻抗:75 ohm
频率范围:0~3 GHz
电压驻波比:直式 ≦ 1.2max / 弯式≦ 1.3max
耐电压:500 V rms
工作电压:170 V rms
中心接触电阻: ≦ 10 mΩ (Milliohms max.)
外接触电阻:≦ 5 mΩ (Milliohms max.)
绝缘电阻:≧ 1000 mΩ (Megohms min.)
射频泄漏 -100dB min @1GHz
机械性能
耦合方式:3/8-32 螺纹连接
保持力:20 lbs min.
机械寿命:大于500次
环境性能
环境温度:-40°C ~ +60°C
材质:
| 部件 | 材料 | 表面处理 | |
| 主体 | Brass | Nickel (Ni) | |
| 中心针 | Brass | Gold | |
| 绝缘子 | Teflon | ------ | |
- 公司简介



- Q & A
- 去提问
全部(0)
产品推荐(0)
产品应用(0)
定制(0)
配套产品(0)
其他(0)
没有评价数据
- 产品评价
- 去评价
0.0
好评率 100%
全部0评价
排序: 最新
全部(0)
带图评论(0)
好评(0)
中评(0)
质量好(0)
发货快(0)
差评(0)
没有评价数据
- 下载
暂无数据


