描述
特征
Q & A
技术参数
评价
下载
公司简介
- 描述
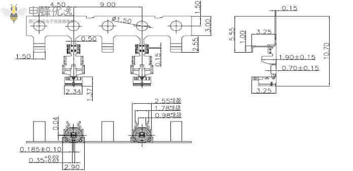
产品图纸

- 产品特征
- RF连接器,IPEX二代,接同轴线;
- 高品质低损耗IPEX射频同轴连接器(又称MHF连接器/UFL连接器),产品品质达到ROHS标准要求;
- 包含IPEX一代二代三代四代五代等不同型号,板端和接线端口可选,品类齐全;
- 高质量原厂出货,30天无忧退换货;
- 来自品牌OEM原厂批发,相同质量,更实惠的价格。
- 技术参数
| 产品规格 | |
| 频率范围 | DC-6GHz |
| 绝缘阻抗 | ≧ 500MΩ |
| 额定电压 | 60V AC(rms) |
| 额定电流 | 0.5A AC |
| 耐电压 | 200V AC |
| 工作温度 | -40°C to +90°C |
- 公司简介




- Q & A
- 去提问
全部(0)
产品推荐(0)
产品应用(0)
定制(0)
配套产品(0)
其他(0)
没有评价数据
- 产品评价
- 去评价
0.0
好评率 100%
全部0评价
排序: 最新
全部(0)
带图评论(0)
好评(0)
中评(0)
质量好(0)
发货快(0)
差评(0)
没有评价数据
- 下载
暂无数据


