描述
特征
Q & A
技术参数
评价
下载
公司简介
- 描述
产品参数
-
安装方式
接线
-
材质
铜
-
端接类型
焊接式
-
公母
公头
-
方向
弯式
-
极性
标准
-
功能
其它
-
镀层
镀金
-
安装特征
无
-
阻抗
50 Ω
-
外导体连接
压接
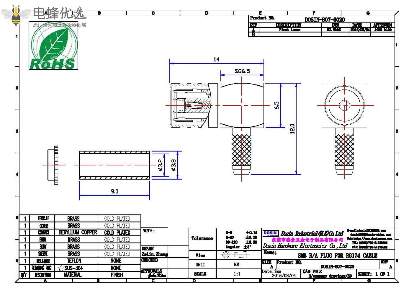
产品图纸

- 产品特征
产品特征:
- 压接,公头,弯式,RF射频同轴,SMB连接器,50欧姆,同轴线缆,RG174;
- 推入式设计,快速安装,使用方便;
- 高性能SMB接头,宽频,低反射;
- 非关键区域采用压铸生产,节省成本,不影响性能;
- 高质量原厂出货,30天无忧退换货;
- 来自品牌OEM原厂批发,相同质量,更实惠的价格。
SMB连接器的主要应用:
航天和工防:测试支架
医疗:仪表
商用汽车:全球定位系统GPS
通讯、电信:无线基站,移动电话系统
数据、通信:WIFI网络、路由器,无线电台
工业:机器对机器通信, 过程控制,视频系统,仪表

- 技术参数
技术参数:
电气性能
- 阻抗:50 ohm
- 频率范围:0~4 GHz
- 电压驻波比:直式 ≦ 1.3max / 弯式≦ 1.5max
- 耐电压:
接RG316,RG402线缆时为1000 V rms
接RG142,RG405线缆时为750 V rms - 工作电压:
接RG316,RG402线缆时为335 V rms
接RG142,RG405线缆时为250 V rms - 中心接触电阻: ≦ 6.0mΩ (Milliohms max.)
- 外接触电阻:≦ 1.5 mΩ (Milliohms max.)
- 绝缘电阻:≧ 1000 mΩ(Megohms min.)
机械性能
- 耦合方式:推入式
- 保持力:4 lbs min.
- 配接耐久性:大于500次 (使用铍铜中心针时)
环境性能
- 温度范围:-65°C ~ +155°C
- 振动:MIL-STD-202 Meth.204
- 抗腐蚀性:MIL-STD-202 Meth. 101
材质:
| 部件 | 材料 | 表面处理 | |
| 主体 | Brass | Gold | |
| 中心针 | Beryllium Copper | Gold | |
| 绝缘子 | Teflon | None | |
- 公司简介



- Q & A
- 去提问
全部(0)
产品推荐(0)
产品应用(0)
定制(0)
配套产品(0)
其他(0)
没有评价数据
- 产品评价
- 去评价
0.0
好评率 100%
全部0评价
排序: 最新
全部(0)
带图评论(0)
好评(0)
中评(0)
质量好(0)
发货快(0)
差评(0)
没有评价数据
- 下载
暂无数据


