描述
特征
Q & A
技术参数
评价
下载
公司简介
- 描述
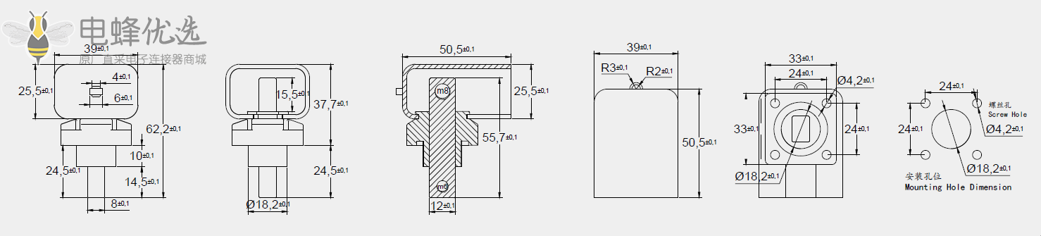
产品图纸

- 产品特征
产品型号:DS-FM8M6-EB-3356-150A-CA
材质:PA66/H62 BRASS
电流:150A
额定电压:0~600V AC
电压:1000V DC Max.
介电强度:3000V
开孔尺寸:φ18,2--φ4,2*4(24*24mm)
安装类型:墙式安装
产品系列:接线柱
阻燃等级:UL94V-0
应用领域:安防设备
IP等级:IP65
尺寸:矩形

- 技术参数
- 公司简介



- Q & A
- 去提问
全部(0)
产品推荐(0)
产品应用(0)
定制(0)
配套产品(0)
其他(0)
没有评价数据
- 产品评价
- 去评价
0.0
好评率 100%
全部0评价
排序: 最新
全部(0)
带图评论(0)
好评(0)
中评(0)
质量好(0)
发货快(0)
差评(0)
没有评价数据
- 下载
暂无数据


