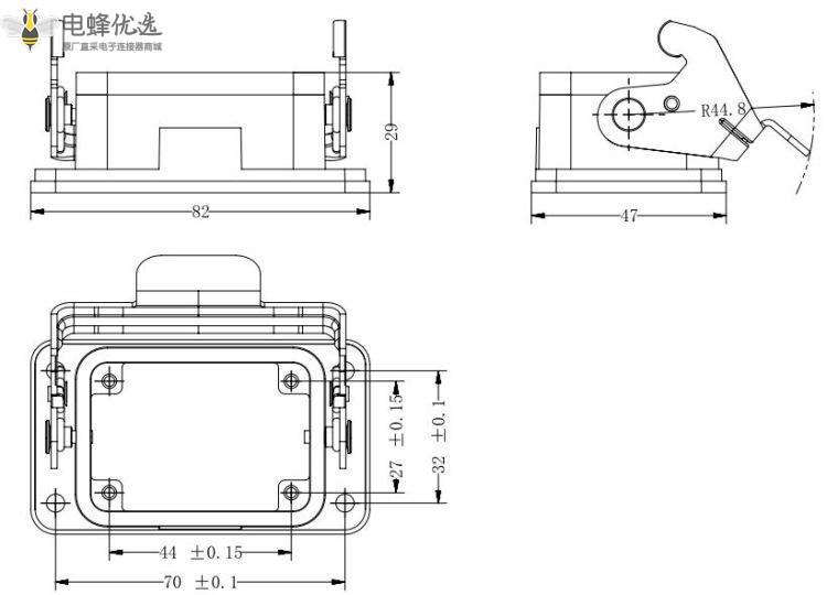
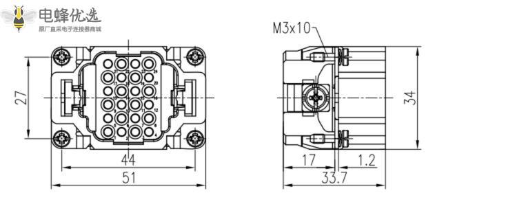
描述
特征
Q & A
技术参数
评价
下载
公司简介
- 描述
- 产品特征
接插件针数:24
工作电流:10A
工作电压:250V
额定脉冲耐受电压:4KV
隔离电阻:≥10Ω
工作温度范围:-40℃~+125℃
依据UL/CSA额定电压:600V
可插拔次数:≥500
插针材料:铜
表面处理:镀金、镀银
接触电阻:≤3mΩ
接线形式:冷压连接
导线规格:0.14-4.0mm²AWG26-14






- 技术参数
- 公司简介



- Q & A
- 去提问
全部(0)
产品推荐(0)
产品应用(0)
定制(0)
配套产品(0)
其他(0)
没有评价数据
- 产品评价
- 去评价
0.0
好评率 100%
全部0评价
排序: 最新
全部(0)
带图评论(0)
好评(0)
中评(0)
质量好(0)
发货快(0)
差评(0)
没有评价数据
- 下载
暂无数据


