描述
特征
Q & A
技术参数
评价
下载
公司简介
- 描述
- 产品特征
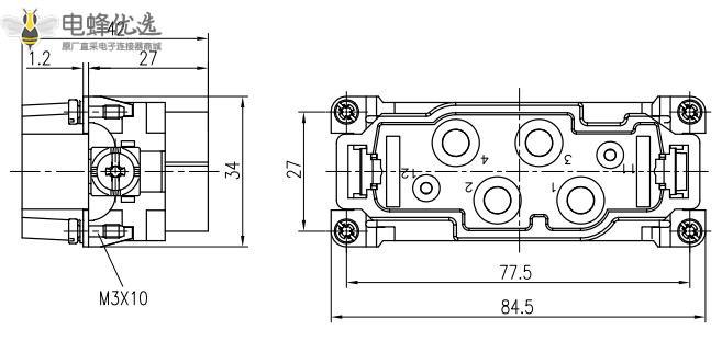
矩形重载连接器4芯公母对插针航空插头插座生产厂家直发
接插件针数:4/0+PE
工作电流:电力区(80A)信号区(16A)
工作电压:电力区(830V)信号区(400V)
额定脉冲耐受电压:电力区(8KV)信号区(6KV)
绝缘电阻:≥10Ω
工作温度范围:-40℃~+125℃
据UL/CSA工作电压:600V/300V
可插拔次数:≥500
表面处理:铜、镀银、镀金
接触电阻:电力区(≤0.3mΩ)信号区(≤1mΩ)
接线形式:螺钉连接
导线规格:电力区(1.5-16mm²AWG16-6)信号区(1.0-2.5mm²AWG18-14)

- 技术参数



- 公司简介




- Q & A
- 去提问
全部(0)
产品推荐(0)
产品应用(0)
定制(0)
配套产品(0)
其他(0)
没有评价数据
- 产品评价
- 去评价
0.0
好评率 100%
全部0评价
排序: 最新
全部(0)
带图评论(0)
好评(0)
中评(0)
质量好(0)
发货快(0)
差评(0)
没有评价数据
- 下载
暂无数据


