描述
特征
Q & A
技术参数
评价
下载
公司简介
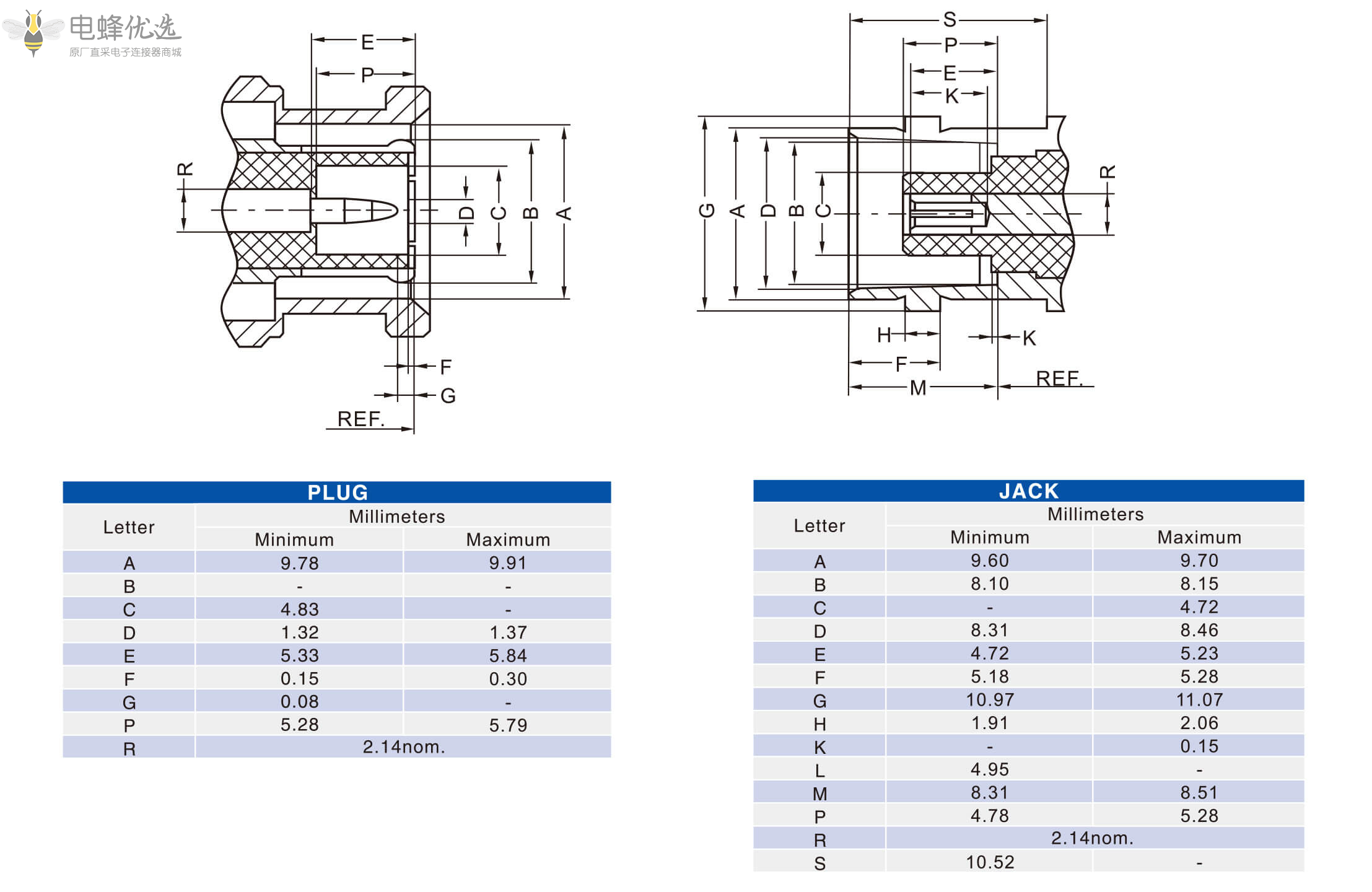
- 描述
产品参数
-
材质
铜
-
安装方式
接线
-
端接类型
压接
-
安装特征
无
-
公母
公头
-
功能
其它
-
方向
弯式
-
极性
标准
-
镀层
镀镍
-
阻抗
75 Ω
-
外导体连接
压接
- 产品特征
产品特征:
- 迷你BNC连接器,直式,公头,压接,75欧姆,铜镀镍;
- 与传统BNC连接器相比设计更小;
- 卡口连接,快速轻松地连接和断开连接;
- 适合高清视频
- 高质量原厂出货,30天无忧退换货;
- 来自品牌OEM原厂批发,相同质量,更实惠的价格。
应用:
医用器材、汽车(GPS)、电脑/局域网、工防航空、工防航空、基地台、电缆调制解调器、仪表、网络分析仪、电信

- 技术参数
电气性能
- 阻抗:75 Ohms
- 频率范围:DC-4 GHz (acceptable return loss up to 1 GHz)
- 回损: DC-750赫兹26.4分贝
DC-1 GHz 22.6 dB - 电压驻波比: DC-750赫兹1.10最大
DC-1 GHz 1.16最大 - 功率处理:.60kW - 10kW以下
- 插入损耗最大:0.10 dB max @ 1 GHz
- 绝缘电阻:5000MΩ
- 绝缘电阻:≧5 × 103 mΩ (Milliohms min.)
机械性能
- 接合力:≤ 5 lbs (22 N)
- 脱离力:≥ 1.5 lbs (7N)
- 连接器耐用性: 500 cycles min
环境性能
- 环境温度:-45C to +85C
材质:
| 部件 | 材料 | 表面处理 | |
| 主体 | Brass | Nickel(Ni) | |
| 中心针 | Brass | Gold | |
| 绝缘子 | Teflon | White | |
- 公司简介



- Q & A
- 去提问
全部(0)
产品推荐(0)
产品应用(0)
定制(0)
配套产品(0)
其他(0)
没有评价数据
- 产品评价
- 去评价
0.0
好评率 100%
全部0评价
排序: 最新
全部(0)
带图评论(0)
好评(0)
中评(0)
质量好(0)
发货快(0)
差评(0)
没有评价数据
- 下载
暂无数据


